Диафрагмы жесткости используются для укрепления каркасов зданий и сооружений и обеспечения их безопасной эксплуатации. Железобетонная диафрагма жесткости применяется в жилищном и промышленном строительстве для восприятия различных горизонтальных нагрузок и обеспечения устойчивости сооружений в пространстве.
Диафрагмы, как правило, охватывают всю высоту здания и являются своего рода его «позвоночником». Диафрагмы жесткости повышают ветроустойчивость и сейсмостойкость зданий и сооружений.
|
ГОСТ/Серия
|
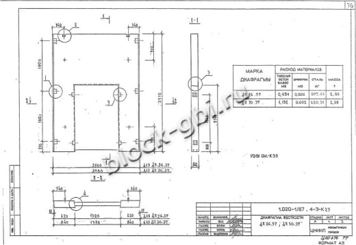
Серия 1.020-1/87 |
|
Длина, мм
|
2980 |
|
Ширина, мм
|
140 |
|
Высота, мм
|
3710 |
|
Масса, тонн
|
2.88 |
|
Объем бетона, куб.м
|
1.15 |
|
Класс бетона
|
В20 |
|
Геометрический объем, м.куб
|
1.020-1/87 вып.4-3 |
|
Сталь, кг
|
220.31 |
|
Закладная 1
|
Изделие закладное СМН-5 |
|
Закладная 2
|
Каркас плоский КР-9 |
|
Закладная 3
|
Каркас плоский КР-18 |
|
Закладная 4
|
Каркас плоский КР-32 |
Как купить
Процесс покупки железобетонных изделий у нас прост и удобен. Следуйте этим шагам:
- Выбор продукции: Ознакомьтесь с нашим ассортиментом и выберите необходимые железобетонные изделия.
- Консультация: Свяжитесь с нашим менеджером для получения консультации по выбору продукции и уточнения всех деталей. Вы можете позвонить нам или написать на электронную почту.
- Оформление заказа: После согласования всех деталей оформите заказ. Менеджер поможет вам заполнить все необходимые документы.
- Согласование доставки: После оформления заказа наш менеджер свяжется с вами для согласования условий и сроков доставки.
- Оплата: Выберите удобный способ оплаты. Мы предлагаем несколько вариантов, включая безналичный расчет.
- Получение товара: После выполнения всех условий заказа, вы получите железобетонные изделия в назначенное время и по согласованному адресу. При получении подпишите акт приема-передачи.
Если у вас возникли вопросы на любом этапе покупки, не стесняйтесь обращаться к нашим менеджерам!
Оплата
Мы принимаем только безналичные платежи и работаем исключительно с юридическими лицами. Пожалуйста, ознакомьтесь с условиями оплаты ниже:
- Способ оплаты: Все расчеты производятся безналичным путем. Мы не принимаем наличные.
- Счет на оплату: После оформления заказа вам будет выставлен счет, который необходимо оплатить в срок, указанный в документе.
- Реквизиты: Все необходимые банковские реквизиты будут предоставлены в счете. Убедитесь, что все данные указаны правильно для успешного перевода.
- Подтверждение оплаты: После осуществления платежа отправьте нам подтверждение, чтобы мы могли оперативно обработать ваш заказ.
- Получение документов: После полной оплаты вы получите все необходимые документы, включая акт выполненных работ, товарные накладные и сертификаты на продукцию.
Мы работаем с НДС и предоставляем все необходимые сертификаты и документы. Все гарантии будут прописаны в договоре, что обеспечивает прозрачность и надежность сотрудничества.
Если у вас есть вопросы по поводу процесса оплаты, не стесняйтесь обращаться к нашим менеджерам за помощью!
Наша оперативность — ваше удобство. Мы гарантируем своевременную доставку железобетонных изделий, что является ключевым фактором для успешной реализации ваших строительных проектов. Доставка осуществляется прямо к вашему объекту с учетом всех стандартов качества.
Основные условия доставки:
• Выбор тарифа: Вы можете выбрать способ расчета стоимости доставки — почасовой или по зонам.
• Согласование: Менеджер свяжется с вами для уточнения деталей после оформления заказа.
• Время на погрузку: Комплектация товара занимает от 1 до 3 дней в зависимости от объема.
• Акт приема-передачи: Продукция передается по акту приема-передачи.
Тарифы на доставку:
Цены варьируются в зависимости от расстояния и региона. Все тарифы включают НДС. При неблагоприятных погодных условиях возможны небольшие изменения в стоимости.
География доставки:
Мы работаем по всей территории РФ и имеем 12 офисов и производств, чтобы обеспечить удобные условия для доставки.
Для точного расчета стоимости доставки обращайтесь к нашим менеджерам!

