Описание верхнего блока камеры тепловой ВБК 5.5
Верхний блок камеры тепловой (ВБК 5.5) применяется для устройства камер тепловых сетей, предназначенных для обслуживания и контроля инженерных коммуникаций (теплотрасс). Изделие изготавливается компанией ГК "БЛОК", которая специализируется на производстве и поставке железобетонных изделий в Москве, с использованием высокопрочного бетона класса B22.5 (М300) и армирования стальной арматурой, что обеспечивает его прочность, устойчивость к нагрузкам и долговечность.
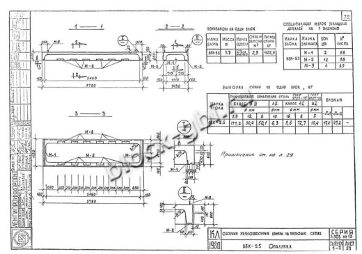
Нормативный документ: Серия 3.903 КЛ-13.
Применение верхнего блока камеры тепловой ВБК 5.5
Верхний блок камеры тепловой ВБК 5.5 используется для создания надёжной конструкции тепловых камер, воспринимающей нагрузки от грунта, транспорта и других внешних воздействий. Он служит важной частью системы, обеспечивающей безопасность, функциональность и долговечность объектов. Для монтажа могут применяться дополнительные элементы: раствор, закладные детали и другие комплектующие.
Типы блоков камер тепловых сетей
Железобетонные блоки камер тепловых сетей подразделяются на несколько типов в зависимости от назначения и конструкции:
- ВБК: верхний блок камеры;
- НБК: нижний блок камеры;
- СБК: стеновой блок камеры;
- ДБК: доборный блок камеры.
Размеры зависят от типа: длина 5780–5790 мм, ширина 1430–1440 мм, высота 600–610 мм.
Основные параметры, размеры и характеристики
- Длина L, мм: 5780
- Ширина b, мм: 1430
- Высота h, мм: 600
- Масса, тонн: 5.7
- Объем бетона, м³: 2.3
- Класс бетона: B22.5 (марка М300);
- Сталь, кг: 422.5
Закладные элементы
- Закладная 1: Закладная деталь М1;
- Закладная 2: Закладная деталь М2;
- Закладная 3: Закладная деталь М9;
- Закладная 4: Сетка С56.
Дополнительные характеристики
- Марка по морозостойкости: F200–F300;
- Марка по водонепроницаемости: W6–W8;
- Технология изготовления: формование с использованием высокопрочного бетона.
Нормы загрузки
- Норма загрузки в автотранспорт 20 т, шт: 3 (при наличии специального оборудования).
Расшифровка маркировки ВБК 5.5
Маркировка "ВБК 5.5" содержит следующую информацию:
- ВБК – верхний блок камеры;
- 5.5 – условная длина или ширина изделия в метрах (5780 мм).
Условия транспортировки и хранения
Верхние блоки камер тепловых сетей ВБК 5.5 перевозятся автомобильным или железнодорожным транспортом с использованием специальных захватных устройств (строп). Хранение осуществляется на ровных площадках с твердым покрытием. Блоки устанавливаются горизонтально в штабель высотой не более 2,5 м. Для предотвращения повреждений между изделиями устанавливаются деревянные прокладки.
Контроль качества верхнего блока камеры тепловой ВБК 5.5
Каждый верхний блок камеры тепловой ВБК 5.5 проходит многоступенчатый контроль качества. Проверяются:
- прочность бетона (не ниже класса B22.5);
- соответствие геометрических размеров проектным данным;
- морозостойкость и водонепроницаемость бетона;
- точность расположения закладных элементов;
- отсутствие трещин, сколов и других дефектов.
Заключение
Верхний блок камеры тепловой ВБК 5.5 – это надежный и долговечный элемент для устройства тепловых камер различного назначения. Благодаря использованию качественных материалов и современных технологий производства, он обеспечивает прочность, устойчивость и долговечность конструкций. Для заказа качественных железобетонных изделий обращайтесь к профессионалам своего дела – компании ГК "БЛОК".
Смотрите также:
| Варианты написания товара |
|---|
| Верхний блок камеры тепловой ВБК 5.5 |
| ВБК 5.5 верхний блок камеры тепловой |
| Верхний блок камеры тепловой ВБК 5.5 Серия 3.903 КЛ-13 |
| ВБК 5.5 Серия 3.903 КЛ-13 |
| ВБК 5.5 |
| Верхний блок камеры тепловой ВБК 5.5 ГОСТ |
| ВБК 5.5 ГОСТ |
|
ГОСТ/Серия
|
Серия 3.903 КЛ-13 |
|
Длина, мм
|
5780 |
|
Ширина, мм
|
1430 |
|
Высота, мм
|
600 |
|
Масса, тонн
|
5.7 |
|
Объем бетона, куб.м
|
2.3 |
|
Класс бетона
|
В22,5 |
|
Сталь, кг
|
422.5 |
|
Закладная 1
|
Закладная деталь М1 |
|
Закладная 2
|
Закладная деталь М2 |
|
Закладная 3
|
Закладная деталь М9 |
|
Закладная 4
|
Сетка С56 |
Как купить
Процесс покупки железобетонных изделий у нас прост и удобен. Следуйте этим шагам:
- Выбор продукции: Ознакомьтесь с нашим ассортиментом и выберите необходимые железобетонные изделия.
- Консультация: Свяжитесь с нашим менеджером для получения консультации по выбору продукции и уточнения всех деталей. Вы можете позвонить нам или написать на электронную почту.
- Оформление заказа: После согласования всех деталей оформите заказ. Менеджер поможет вам заполнить все необходимые документы.
- Согласование доставки: После оформления заказа наш менеджер свяжется с вами для согласования условий и сроков доставки.
- Оплата: Выберите удобный способ оплаты. Мы предлагаем несколько вариантов, включая безналичный расчет.
- Получение товара: После выполнения всех условий заказа, вы получите железобетонные изделия в назначенное время и по согласованному адресу. При получении подпишите акт приема-передачи.
Если у вас возникли вопросы на любом этапе покупки, не стесняйтесь обращаться к нашим менеджерам!
Оплата
Мы принимаем только безналичные платежи и работаем исключительно с юридическими лицами. Пожалуйста, ознакомьтесь с условиями оплаты ниже:
- Способ оплаты: Все расчеты производятся безналичным путем. Мы не принимаем наличные.
- Счет на оплату: После оформления заказа вам будет выставлен счет, который необходимо оплатить в срок, указанный в документе.
- Реквизиты: Все необходимые банковские реквизиты будут предоставлены в счете. Убедитесь, что все данные указаны правильно для успешного перевода.
- Подтверждение оплаты: После осуществления платежа отправьте нам подтверждение, чтобы мы могли оперативно обработать ваш заказ.
- Получение документов: После полной оплаты вы получите все необходимые документы, включая акт выполненных работ, товарные накладные и сертификаты на продукцию.
Мы работаем с НДС и предоставляем все необходимые сертификаты и документы. Все гарантии будут прописаны в договоре, что обеспечивает прозрачность и надежность сотрудничества.
Если у вас есть вопросы по поводу процесса оплаты, не стесняйтесь обращаться к нашим менеджерам за помощью!
Наша оперативность — ваше удобство. Мы гарантируем своевременную доставку железобетонных изделий, что является ключевым фактором для успешной реализации ваших строительных проектов. Доставка осуществляется прямо к вашему объекту с учетом всех стандартов качества.
Основные условия доставки:
• Выбор тарифа: Вы можете выбрать способ расчета стоимости доставки — почасовой или по зонам.
• Согласование: Менеджер свяжется с вами для уточнения деталей после оформления заказа.
• Время на погрузку: Комплектация товара занимает от 1 до 3 дней в зависимости от объема.
• Акт приема-передачи: Продукция передается по акту приема-передачи.
Тарифы на доставку:
Цены варьируются в зависимости от расстояния и региона. Все тарифы включают НДС. При неблагоприятных погодных условиях возможны небольшие изменения в стоимости.
География доставки:
Мы работаем по всей территории РФ и имеем 12 офисов и производств, чтобы обеспечить удобные условия для доставки.
Для точного расчета стоимости доставки обращайтесь к нашим менеджерам!

